Experimental seasonal heat storage project proposed for Italy’s Piemonte region

Tucked away in the unique hilly landscape of the Piemonte region of north western Italy is a small vineyard called Valle Vento whose team is reviewing proposals for an experimental Borehole Thermal Energy Storage (BTES) installation which hopes to pave the way for future projects of this kind in the region.
The fast-accelerating renewable energy transition, driven by the urgent need to combat climate change, is leading to a shift in how we view the value of good-old-fashioned heat energy. And this shift is particularly apparent in the geothermal industry where startups of all shapes and sizes are battling it out to find the most efficient way to generate, store and re-use heat directly. Seasonal Underground Thermal Energy Storage (UTES) is one of the technologies with the potential to address the heat storage part of the equation but it remains largely under-utilised, especially in Italy, despite the fact that it has been around since the 1970’s.
One of the people looking to change this is Nicolò Giordano from Sphera Geoconsulting who is advising Valle Vento on various BTES options outlined in this report. And although the idea of pumping a lot of hot water into a bunch of “holes in the ground” is in fact relatively simple, Giordano's report illustrates how a few key considerations can make or break the success of these projects.
Why Low Temperature Seasonal Heat Storage Matters
Seasonal heat storage attempts to address the imbalance of heat supply and heat demand which we typically solve by burning gas in the winter to keep our homes warm when the sun isn’t shining. The key challenge here is the ability to store heat for months on end without converting it into another form of energy and without losing it too quickly into the surrounding environment. The problem is that heat is extremely good at finding its way out of any vessel you try to contain it within. Even your overpriced vacuum-insulated travel mug won’t keep your coffee hot for more than a few hours.
UTES directly addresses these challenges and is also a relatively low tech solution with zero CO₂ emissions but it does have high upfront costs and space requirements. Consequently one of the most promising applications for this technology is district heating systems where overall efficiency and emission savings are a top priority, and setup costs can be covered by municipalities or organisations.
The latest district heating systems, referred to as 5th generation, are also trending toward lower operating temperatures which is exactly where BTES installations excel. By reducing the temperature difference between the storage medium and the ambient temperature heat losses are drastically reduced and the overall efficiency is driven up. If you think again about that fancy travel mug of yours, it might not keep your coffee piping hot for more than a few hours but it can easily keep it luke-warm for far longer.
At these lower operating temperatures alternative energy sources like waste heat from data centres or industry (typically under 100 °C) suddenly become extremely valuable, and as soon as a heat storage project can tap into a “free” source of energy its financial viability skyrockets.

Current State of UTES in the Industry
While there are a few successful UTES implementations globally like the infamous Drake Landing Solar Community (DLSC) in Canada, it's still a largely under-deployed technology. Many current projects remain focused on research, testing various storage methods, and monitoring long-term performance.
Some of the barriers to wider adoption include the steep initial investment costs for borehole drilling, the geological complexity involved in finding suitable storage sites and regulatory frameworks which are often a few steps behind the front lines of innovation.
Moreover, accurately predicting the long-term thermal behavior of UTES installations remains a challenge which is exactly why projects like this one are so important.
As more data becomes available from existing installations better models can be created to predict the performance of new proposals and provide the confidence needed to secure investment for more of these projects in the future.
Project Overview
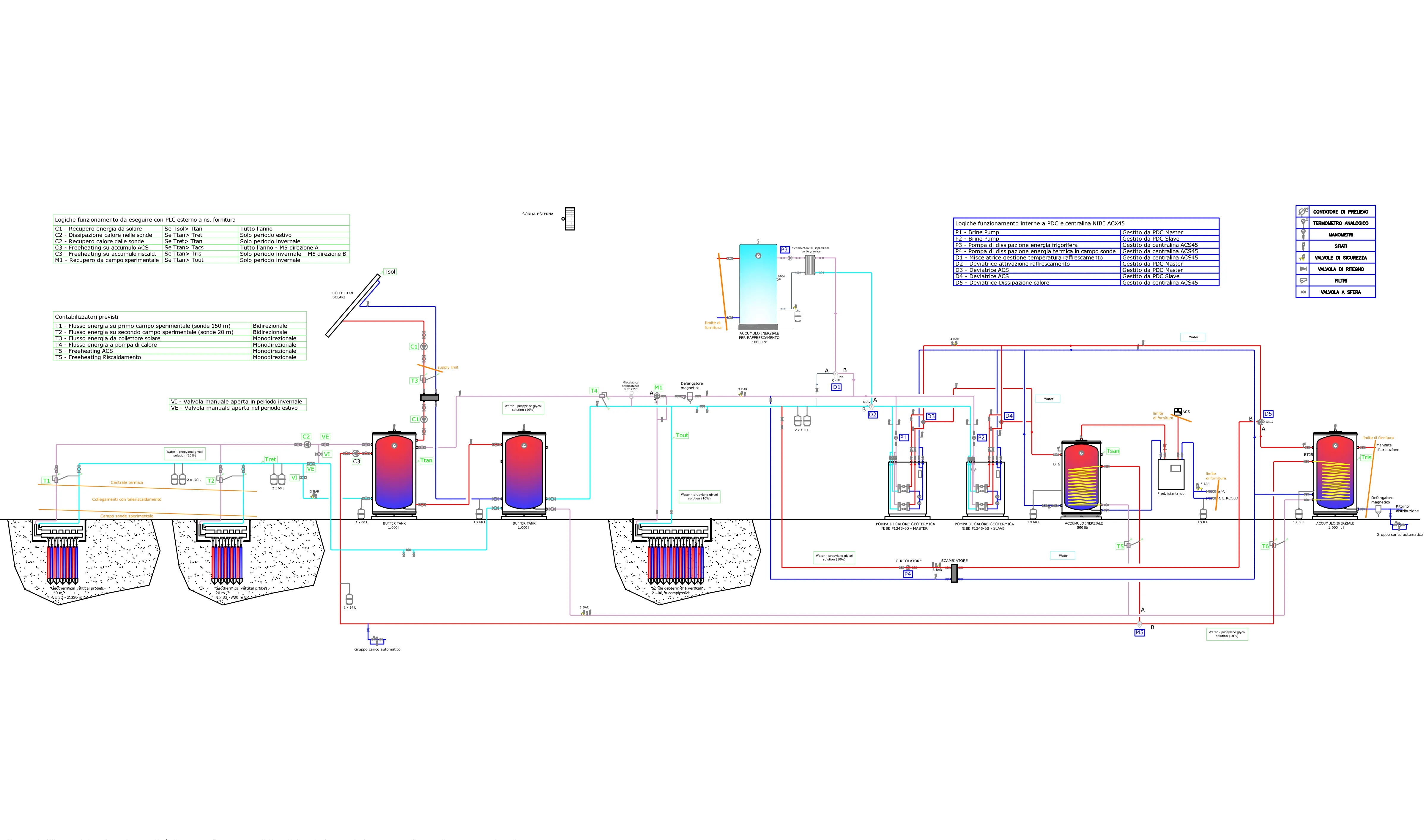
The new development area on the Valle Vento site, including a greenhouse, laboratories, offices, and meeting rooms, has already been equipped with a Ground Source Heat Pump (GSHP) system which features a conventional closed-loop Borehole Heat Exchanger (BHE) array with sixteen 150-m-deep boreholes.
Giordano’s report details the next phase being considered, which is the addition of an experimental BHE array for dedicated seasonal heat storage. A number of different configurations are being investigated to balance the needs of the site with the project's goal of providing new data to the industry.
The proposed BTES system is intended to store heat energy produced by approximately 150 m² of gross solar collector area on the site, which might be hybrid Photovoltaic Thermal collectors or more conventional vacuum tube collectors.
Local weather data indicates this collection area could provide up to 50 MWh of solar energy per year with peak loads of up to 50 kW which will “charge” the BTES like a battery throughout the summer. Also included are a number of buffer tanks and a centralised control system to bring all of the components together to optimise the efficiency of the entire installation, and gather data on the system’s real world performance.

The BTES is composed of two circuits: the first consists of the 16-m-deep BHEs connected in 6 series (right); the second consists of the 150-m-deep BHEs connected in parallel (left). This updated and final version comprises two short term tanks. The location of the heat meters is also reported
A living laboratory - the importance of data
The project is also considering drilling extra boreholes to accommodate Cross Hole Electrical Resistivity Tomography apparatus for indirect temperature monitoring which will enable the team to gather qualitative imaging of the energy distribution within the entire underground volume. Further direct temperature measurements would be provided by temperature probes and an additional open borehole placed away from the BTES is also being considered to serve as a control to monitor the undisturbed ground temperature for comparisons.
If implemented, these measurement techniques would provide the data required to turn the project into a real living lab which will allow the community at large to share in its learnings.

In addition to these measuring techniques a number of extra systems are being considered which will allow the installation to be continually reconfigured to incorporate various buffer tanks and even alternative energy sources like excess heat from the on-site greenhouse so that further experimentation can be undertaken in the future. In other words flexibility will be a key consideration to enable the project to provide data which the industry can actually learn from.
The team has also commissioned research into alternative BHE designs which could have a lower Borehole Thermal Resistance, and thus better efficiency. The rate at which BHE’s exchange heat with the earth is one of the critical measurements which determines the efficiency of the system. Be sure to keep an eye on the Foundation⁰ website for follow up stories on this experimental research
Conclusion
From up-close this project might only be a few small 15 cm diameter holes in the soil of the Italian countryside. But if they are drilled, configured and monitored in new and innovative ways they could add significant value to the body of knowledge surrounding this technology and bring the Piemonte region one step closer to enjoying the benefits of summer sunshine well into the winter.






